三个接触器互锁电动机正反转控制电路图
时间:2023-03-09来源:佚名
|
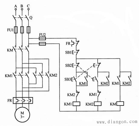
在电动机容量较大,并且重载下进行正反转切换时,往往会产生很强的电弧,容易造成相间短路。为避免此情况发生,在正反转电路中增加了一个接触器,组成如下图所示的电路。 正向启动转动:当正转起动时,按下正转按钮SB3,其常闭触点先断开,切断反转控制回路,然后其常开触点闭合,接通正转控制回路,正转接触器KM1得电吸合并自锁,电源接触器KM也得电吸合,电动机接人正相序三相电源,正向起动运转。
反向起动转动:当正转变反转时,按下反转按钮SB2,其常闭触点先断开,切断正转控制回路,使正转接触器KM1断电释放,电源接触器KM也随着断电释放,然后其常开触点闭合,接通反转控制回路,使反转接触器KM2得电吸合并自锁,电源接触器KM也得电吸合,电动机接入反相序三相电源,反向起动运转。 可见在正反转换接时,由于KM1和KM两个接触器主触点组成4断点灭弧电路,可有效地熄灭电弧,防止相间短路。反转变正转亦然。 |









