单激式变压器开关电源工作原理
|
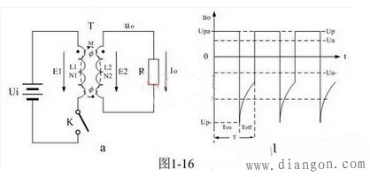
变压器开关电源有单激式变压器开关电源和双激式变压器开关电源之分,单激式变压器开关电源普遍应用于小功率电子设备之中,因此,单激式变压器开关电源应用非常广泛。而双激式变压器开关电源一般用于功率较大的电子设备之中,并且电路一般也要复杂一些。 单激式变压器开关电源的缺点是变压器的体积比双激式变压器开关电源的激式变压器的体积大,因为单激式开关电源的变压器的磁芯只工作在磁回路曲线的单端,磁回路曲线变化的面积很小。 图a是单激式变压器开关电源的最简单工作原理图。图a中,Ui是开关电源的输入电压,T是开关变压器,K是控制开关,R是负载电阻。 当控制开关K接通的时候,直流输入电压Ui首先对变压器T的初级线圈N1 绕组供电,电流在变压器初级线圈N1绕组的两端会产生自感电动势e1;同时,通过互感M的作用,在变压器次级线圈N2绕组的两端也会产生感应电动势e2; 当控制开关K由接通状态突然转为关断状态的时候,电流在变压器初级线圈 N1绕组中存储的能量(磁能)也会产生反电动势e1;同时,通过互感M的作用,在变压器次级线圈N2绕组中也会产生感应电动势e2。 因此,在控制开关K接通之前和接通之后,在变压器初、次级线圈中感应产生的电动势方向是不一样的。 所谓单激式变压器开关电源,是指开关电源在一个工作周期之内,变压器的初级线圈只被直流电压激励一次。一般单激式变压器开关电源在一个工作周期之内,只有半个周期向负载提供功率(或电压)输出。当变压器的初级线圈正好被直流电压激励时,变压器的次级线圈也正好向负载提供功率输出,这种变压器开关电源称为正激式开关电源;当变压器的初级线圈正好被直流电压激励时,变压器的次级线圈没有向负载提供功率输出,而仅在变压器初级线圈的激励电压被关断后才向负载提供功率输出,这种变压器开关电源称为反激式开关电源。 图b是单激式变压器开关电源输出电压的波形,由于输出电压是由变压器的次级输出,因此,在输出电压uo中完全没有直流成份。输出电压正半波的面积与负半波的面积完全相等,这是单激式变压器开关电源输出电压波形的特点。图b中,当只输出正半波电压时,为正激式开关电源;反之,当只输出负半波电压时,为反激式开关电源。 顺便指出,图b中变压器输出电压波形极性的正负,是可以通过调整变压器线圈的饶线方向(相位)来改变的。严格地说,只有当控制开关的占空比等于0.5时,开关电源的输出电压才能称为正、负半周电压,但由于人们已习惯了正、负半周的叫法,所以,只要是有正、负电压输出的电源,我们还是习惯地把它们称为正、负半周。但为了与占空比不等于0.5时的电压波形相区别,我们有时特别把占空比不等于0.5时的电压波形称为正、负半波。因此,有些场合在不影响对正、负半波电压的理解时,或占空比不确定时,我们也习惯地把正、负半波称为正、负半周。 图a中,在Ton期间,控制开关K接通,输入电源Ui开始对变压器初级线圈N1绕组加电,电流从变压器初级线圈N1绕组的两端经过,通过电磁感应会在变压器的铁心中产生磁场,并产生磁力线;同时,在初级线圈N1绕组的两端要产生自感电动势E1,在次级线圈N2绕组的两端也会产生感应电动势 e2;感应电动势e2作用于负载R的两端,从而产生负载电流。因此,在初、次级电流的共同作用下,在变压器的铁心中会产生一个由流过变压器初、次级线圈电流产生的合成磁场,这个磁场的大小可用磁力线通量(简称磁通量),即磁力线的数目ф来表示。 ф= ф 1-ф2 —— K接通期间 (1) 其中变压器初级线圈电流产生的磁通 ф1还可以分成两个部分,一部分用来抵消变压器次级线圈电流产生的磁通 ф2,记为 ф10,另一部分是由励磁电流产生的磁通,记为фΔ 1。显然 ф10 =- ф2,фΔ 1 =ф 。即:变压器铁心中产生的磁通量 ,只与流过变压器初级线圈中的励磁电流有关,与流过变压器次级线圈中的电流无关;流过变压器次级线圈中的电流产生的磁通,完全被流过变压器初级线圈中的另一部分电流产生的磁通抵消。 根据电磁感应定律可以对变压器初级线圈N1绕组回路列出方程: e1 = N1*dф/dt = Ui —— K接通期间 (2) 同样,可以对变压器次级线圈N2绕组回路列出方程: e2 = N2 *dф/dt = Up —— K接通期间 (3) 根据(1-61)和(1-62)可以求得: Up = e2 =n*E1 = n*Ui —— K接通期间 (4) 上式中,Up为正激式开关电源变压器次级输出电压的幅值(图b中正半周);Ui为正激式开关电源变压器初级线圈N1绕组的输入电压;n为变压比,即:开关变压器次级线圈输出电压与初级线圈输入电压之比,n也可以看成是开关变压器次级线圈N2绕组与初级线圈N1绕组的匝数比,即:n = N2/N1。 由此可知,在控制开关K接通期间,正激式开关电源变压器次级输出电压的幅值只与输入电压和变压器的次/初级变压比有关。 |








