电机软启动器安装接线图
|
安装工艺流程:
软启动器安装->主回路端子接线->控制回路接线->启动参数设定->模拟试验->带负荷试运行 软启动器安装位置选择防尘、 散热条件较好的位置安装; 安装时应按说明书考虑空间与周边环境最小距离。 主回路端子接线可分为内接式和外接式(见图 )两种, 施工时按设计图纸连接电机与软启动器接线。 通常配电盘柜的控制回路已连接完整,用万用表对照图纸检查控制线路;注意不可用绝缘摇表检测控制线路绝缘电阻,以免损坏软启动器内电子元件。 软启动器不能作空负载模拟动作试验,因为空负载没有电流电压输出,继电保护会误动作;应带轻负载试验,检测软启动器参数设置是否符合设计要求;在此推荐工程现场一个经济简便方法:可利用三个 200W 白炽灯泡模拟电机三相绕组作为试验的轻负载。 试运行阶段注意实际测量值与设定值有无偏差,分析产生偏差原因不断调整,直至符合要求;并做好相应检测记录和运行报告。 一、CMC-L系列数码型电机软启动器是一种将电力电子技术,微处理器和自动控制相结合的新型电机起动、保护装置。它能无阶跃地平稳起动/停止电机,避免因采用直接起动、星/三角起动、自耦减压起动等传统起动方式起动电机而引起的机械与电气冲击等问题,并能有效地降低起动电流及配电容量,避免增容投资。
2、CMC-L系列数码型电机软启动器基本接线示意图:
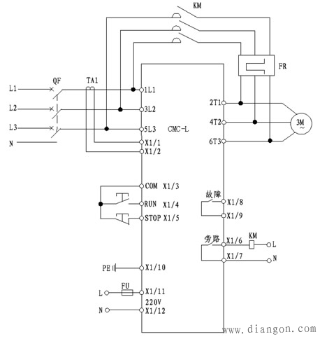
3、CMC-L系列数码型电机软启动器典型应用接线图:
注意: 二、CMC-M系列数码智能型电机软启动器是一种将电力电子技术,微处理器和自动控制相结合的新型电机起动、保护装置。它能无阶跃地平稳起动/停止电机,避免因采用直接起动、星/三角起动、自耦减压起动等传统起动方式起动电机而引起的机械与电气冲击等问题,并能有效地降低起动电流及配电容量,避免增容投资。
2、基本接线示意图
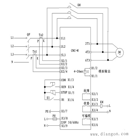
3、典型应用接线图
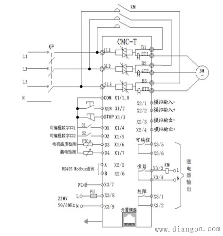
注意: 三、CMC-SX系列汉显智能型电机软启动器是国内唯一一款基于32位ARM核微控制器开发的电机软起动器,是一种新型智能化的异步电动机起动、保护装置。它是集起动、显示、保护、数据采集于一体的电机终端控制设备。用户使用较少的元件,就可实现较复杂的控制功能。而中英文界面显示又使得操作更简便。
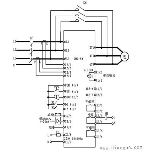
2、基本接线示意图
3、典型应用接线图
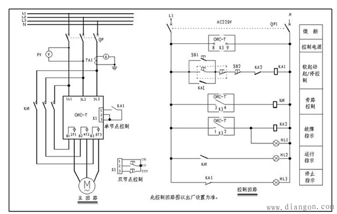
注意:1.上图所示为单节点控制方式。接点闭合软起动起动,接点打开软起动器停止。但要注意这种接线LCD面板起动操作无效。端子3、4、5起停信号是一个无源节点。 四、CT系列分级变频软启动器是采用电力电子技术、微处理器技术及现代控制理论技术生产的具有当今国际先进水平的新型起动设备。通过对晶闸管的控制达到有级变频、无级调压、小起动电流、大起动转矩的起动特性。集起动、显示、保护、数据采集于一体。用户使用较少的元件,就可实现较复杂的控制功能。而中英文界面显示又使得操作更简便。
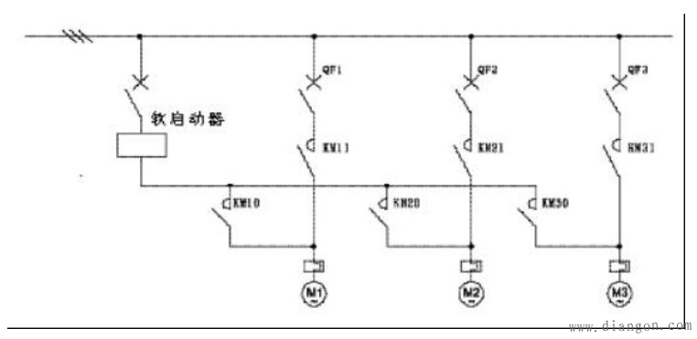
2、典型应用接线图
注意: 五、CMC-MX系列内置旁路型电机软启动器是一种将电力电子技术,微处理器和自动控制相结合的新型电机起动、保护装置。它能无阶跃地平稳起动/停止电机,避免因采用直接起动、星/三角起动、自耦减压起动等传统起动方式起动电机而引起的机械与电气冲击等问题,并能有效地降低起动电流及配电容量,避免增容投资。同时CMC-MX软起动器内部集成电流互感器、接触器,用户无需外接。
2、三角形内接连接图
3、典型应用接线图
注意: |





















