电机软启动器的主接线图和接线方式
时间:2023-03-09来源:佚名
|
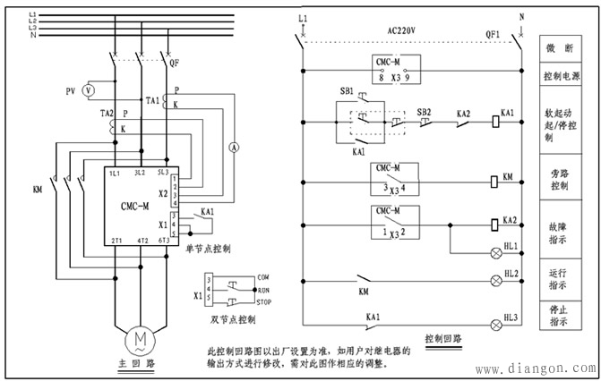
电机软启动器的主接线图
1、在线型: 所有软启动器的控制器都有电动机过载保护,当软启动器在线运行时软启动器的控制器能对电机进行过载保护,不要加装热过载继电器。由于经过可控硅后的电流谐波电流非常大,所以不能加装电子式热过载继电器,否则热继的误动作使系统不能正常工作。由于可控硅比较昂贵而且更换困难,为了保护可控硅要用快速熔断器防止软启动器下口发生短路烧毁可控硅,图4A是指在经常使用的场所,软起动器的上口不加接触器,图4B是指不经常使用的场所,在停车后将软启动器的电源断开。 2、旁路型: 旁路运行软启动器,离开旁路接触器是无法运行的,所以在两种主接线方案里都有。对于软启动器上口的接触器的作用和在线运行方式下作用相同在此不再重复。着重说明的是热继电器,把它安方在旁路接触器的下口,不通过起动电流最好,尤其是电子热继电器,由于经过软启动器后电流谐波很大能干扰电子热继电器误动作而使电机停车。另外因为可控硅的短时工作没必要安装快速熔断器,所以在主结线方案里没有加装快速熔断器。 3、内置旁路型: 它的主接线和在线型的大致相同,唯一的优点是因为可控硅的短时工作没必要安装快速熔断器。 电动机的过载保护是有软启动器的控制器实现的,它不仅在功能和性能上超过电子热继电器,而且不会因主回路的谐波电流及外界的干扰而误动作。 |









