等效电阻的计算求法

时间:2023-03-09来源:佚名
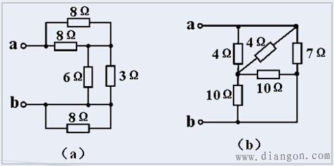
  例:电路如图所示,计算a、b间的等效电阻Req。   

等效电阻的计算求法

:对于电路(a):
  上面的两个8Ω电阻并联,可以等效成一个4Ω电阻;3Ω和6Ω电阻并联,可以等效成一个2Ω电阻;下面的8Ω电阻与导线并联,被短接。通过分析,原电路可以化简成  
等效电阻的计算求法
  a、b间的等效电阻Req=6Ω。
  对于电路(b):
  两个4Ω电阻并联,可以等效成一个2Ω电阻;两个10Ω电阻并联,可以等效成一个5Ω电阻;7Ω电阻连在a、b之间。通过分析,原电路可以化简成
等效电阻的计算求法
  a、b间的等效电阻Req=3.5Ω。

    相关阅读

    3M15kV以下三芯电缆冷缩式中间接头制作工艺流程

    3M15kV以下三芯电缆冷缩式中间接头制作工艺流程 1.电缆附件点件检查 开箱检查实物是否配套,且符合装箱单和图纸的要求及数量;外观检查无损伤和异常,并安操作顺序摆放在大瓷盘...
    2023-06-11
    3M15kV以下三芯电缆冷缩式中间接头制作工艺流程

    电动机星三角起动如何接线?星三角接线图实例

    分享一个电动机星三角起动的接线图,包括停止按钮,启动按钮,时间继电器 ,电动机 接线盒等的连接方法,需要的朋友参考下。电动机星三角起动接线图如下。 电动机星三角起动接...
    2022-12-11
    电动机星三角起动如何接线?星三角接线图实例

    欧姆定律以及串联电路中的电阻计算方法

    题目 :有一块万用表 ,其额定电流I=50μA(微安,参见电流单位换算),内电阻R=3K欧(千欧),问能否直接用来测量电压Uo=10V的电压?如果不能该怎么办? 解题1 :根据额定电流数据,...
    2023-03-16

    压力表核验器的使用方法

    1.将压力表校验器平稳地放在工作台上,安置成水卒状态.对271-01型和27-11型一类校验器来说(如图4),横放、竖放都可以,只要摇转手轮方便,使压力表刻度盘正对着操作者就行.为有利于...
    2023-03-20
    压力表核验器的使用方法

    10kV配电线路断线事故的原因分析

    随着城市建设速度加快,高负荷用电地区明显增加,相应地配电网线路极具增长,受多方因素影响线路断线事故发生几率有所升高,10kV配电线路维修与改造工作面临巨大挑战。根据相关...
    2023-03-06

    热销商品

    加厚abs安全帽电工建筑工地程施工领导监理透气防砸头盔可印字V型

    这款加厚ABS安全帽专为电工、建筑工地施工人员、领导及监理设计,采用高强度ABS工程塑料,抗冲击、防砸性能优异,有效保障头部安全。帽体加厚设计,增强耐用性与防护等级...
    5.8

    水口钳高硬度模型剪钳电子钳工业级口水剪斜嘴钳偏口斜口专用钳子

    水口钳高硬度模型剪钳是一款工业级精密工具,专为电子、模型制作及精细作业设计。采用优质高碳钢材质,经热处理工艺打造,具备卓越的硬度和耐磨性,可轻松剪切金属引脚、...
    4.8

    170电子剪钳II 如意斜口钳 工业斜嘴钳水口钳 模型剪塑胶钳尖嘴钳

    170电子剪钳II如意斜口钳是一款专业级精密工具,集工业斜嘴钳、水口钳、模型剪、塑胶钳与尖嘴钳功能于一体,适用于电子维修、模型制作、手工艺及精密作业。其采用优...
    4.5

    安全帽国标工地加厚施工领导透气安全头盔建筑工程监理免费印字

    本款安全帽严格遵循国家GB 2811-2019标准,专为建筑工程、工地施工及监理人员设计。采用高强度ABS工程塑料,加厚壳体有效抗冲击,保障头部安全。帽体轻盈透气,内置可调...
    10

    包邮三角型简易螺丝刀三角十字螺丝刀螺丝批改锥起子五金工具5mm

    这款5mm三角型简易螺丝刀,专为拧紧或拆卸三角形螺丝设计,适用于电子维修、家电维护及精密仪器装配等场景。采用优质合金钢材质,刀头硬度高、耐磨损,确保长久使用不变...
    3.64

    网站栏目