选件及接线要求 1.电度表的额定电压应与电源电压一致,额定电流应是5A的; 2.要按正相序接线,三相四线有功电度表的零线必须入表,零火不得反接; 3.电流互感器一次额定电流应满足负荷电流的需要,电流互感器的变比应相同,K2端应接地或接零,为便于接线选LQG型的,精度应不低于0.5级。电流互感器的极性要用对,不能反接;
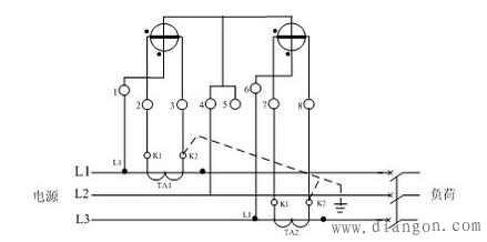
 三相四线式(三相三元件)电度表经电流互感器接线原理图
 三相三线式(三相两元件)电度表经电流互感器接线原理图 4.二次线应使用绝缘铜导线,中间不得有接头。截面:电压回路不小于1.5mm²;电流回路不小于 2.5mm²;一次线按一次负荷电流选; 5.二次线应排列整齐,两端穿带有回路标记和编号的“标志头”。 6.当计量电流超过250A时,其二次回路应经专用端子接线,各相导线在专用端子上排列顺序:自上至下,或自左至右为U、V 、W、 N。 7.三相四线有功电度表(DT型),可对三相四线对称或不对称负载作有功电量的计量;而三相三线有功电度表(DS型),仅可对三相三线对称或不对称负载作有功电量的计量。 8.开关熔断器接负荷侧; 9.电度表的金属外壳应接地。 例某三相四线负荷电流为361A,经电流互感器接线的三相有功电度表作有功是量计量。 可选DT8 380/220 3×5A的有功电度表。用LQZ—0.5 400/5的电流互感器。
|