1.电流上升率di/dt的抑制 晶闸管初开通时电流集中在靠近门极的阴极表面较小的区域,局部电流密度很大,然后以0.1mm/s的扩展速度将电流扩展到整个阴极面,若晶闸管开通时电流上升率di/dt过大,会导致PN结击穿,必须限制晶闸管的电流上升率使其在合适的范围内。其有效办法是在晶闸管的阳极回路串联入电感。如下图:
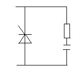
 图1:串联电感抑制回路 2.电压上升率dv/dt的抑制 加在晶闸管上的正向电压上升率dv/dt也应有所限制,如果dv/dt过大,由于晶闸管结电容的存在而产生较大的位移电流,该电流可以实际上起到触发电流的作用,使晶闸管正向阻断能力下降,严重时引起晶闸管误导通。 为抑制dv/dt的作用,可以在晶闸管两端并联R—C阻容吸收回路。如下图:
 图2:并联R—C阻容吸收回路 晶闸管过压过流保护主要就是以上这些电路图,做好以上这些保护电路,设备的故障率会很大降低.
|