TAS5614LA功率放大器应用电路
时间:2023-03-09来源:佚名
|
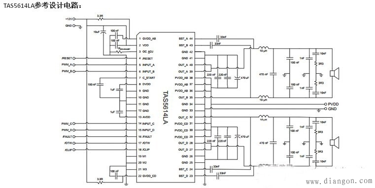
TAS5614LA是一款基于 TAS5614LA 的功能优化 D 类功率放大器。此篇主要介绍了TAS5614LA特性、应用范围、参考设计电路以及电路分析,帮助大家缩短设计时间。 TAS5614LA特性: TAS5614LA 使用大型金属氧化物半导体场效应晶体管 (MOSFET) 提升功率效率,并采用新型栅极驱动方案降低空闲状态下和输出信号较低时的损耗,从而减小散热器尺寸。 该器件可使用独特的预钳位输出信号来控制 G 类电源。 这一优势与 TAS5614LA 的低空闲损耗和高功率效率相结合,可实现行业领先水平的效率,从而确保构建超级“绿色”系统。 TAS5614LA 使用恒定电压增益。 内部匹配增益电阻器确保了一个高电源抑制比,使得输出电压只取决于音频输入电压并避免了任何电源的人工缺陷。 |







