基尔霍夫电流定律(Kirchoff’s Current law) KCL
时间:2023-03-09来源:佚名
|
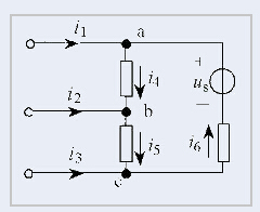
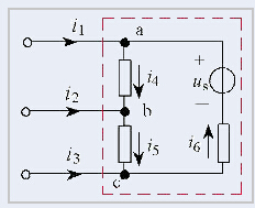
描述结点处电流间的约束关系。 1.定律内容: 在任一时刻,对任一结点,流入结点的电流之和恒等于流出该结点的电流之和。即 ![]() 如图所示: :(注意首先要标明参考方向)在结点a有三个电流与它关联,根据KCL可写出: ![]() : ![]() : ![]() 由结点a的KCL方程: 我们可以得到基尔霍夫电流定律的另一种描述: 对任一结点,结点电流代数和等于零,即 。 存在“+-”号问题,若规定流入结点电流为+,则流出为-;若规定流出为+,则流入为-。 KCL实质上反映了支路电流间的关系,揭示了在任一结点上电荷的守恒,即电荷在结点上既没有消失,也没有积累。 2.广义KCL KCL不仅适用于单个结点,也可推广应用于一个闭合面(又称广义结点)。 对图中的虚线所示闭合面,共有3条支路与其相连,对应的支路电流分别为 ,我们看其是否符合KCL定律。
根据前面的分析我们得到了3个单个结点a,b,c的KCL方程,分别为:: ![]() : ![]() : ![]() 由上述3个方程,我们可以得出: ![]() 可见,对于图中虚线所示的闭合面,如果把它看作一个结点(广义结点),它也满足KCL定律,和它相连的3条支路的支路电流的代数和为0。 :任一时刻,通过任意一个封闭面的电流的代数和等于零。 即:这个封闭面可以看成是一个广义大结点,有 。 |





。
,我们看其是否符合KCL定律。





。








