MF47指针式万用表的使用方法图解_万用表档位原理_万用表原理图

时间:2023-03-09来源:佚名
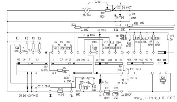
指针式万用表有很多好处,例如交流电压档,直流电压档,直流电流档,可以在没有电源的情况下使用,电阻档需要电源,如果不需要测量精确,有一点电就可以,当然还有其他的扩展功能。
MF47指针式万用表的使用方法图解_万用表档位原理_万用表原理图
MF47指针式万用表的使用方法图解_万用表档位原理_万用表原理图
MF47指针式万用表的使用方法图解_万用表档位原理_万用表原理图
MF47指针式万用表的使用方法图解_万用表档位原理_万用表原理图
MF47指针式万用表的使用方法图解_万用表档位原理_万用表原理图
MF47指针式万用表的使用方法图解_万用表档位原理_万用表原理图
MF47指针式万用表的使用方法图解_万用表档位原理_万用表原理图
MF47指针式万用表的使用方法图解_万用表档位原理_万用表原理图
MF47指针式万用表的使用方法图解_万用表档位原理_万用表原理图
MF47指针式万用表的使用方法图解_万用表档位原理_万用表原理图
MF47指针式万用表的使用方法图解_万用表档位原理_万用表原理图
MF47指针式万用表的使用方法图解_万用表档位原理_万用表原理图
MF47指针式万用表的使用方法图解_万用表档位原理_万用表原理图
MF47指针式万用表的使用方法图解_万用表档位原理_万用表原理图
MF47指针式万用表的使用方法图解_万用表档位原理_万用表原理图
MF47指针式万用表的使用方法图解_万用表档位原理_万用表原理图
MF47指针式万用表的使用方法图解_万用表档位原理_万用表原理图

相关阅读

热销商品

加厚abs安全帽电工建筑工地程施工领导监理透气防砸头盔可印字V型

这款加厚ABS安全帽专为电工、建筑工地施工人员、领导及监理设计,采用高强度ABS工程塑料,抗冲击、防砸性能优异,有效保障头部安全。帽体加厚设计,增强耐用性与防护等级...
5.8

欧普led筒灯3w孔灯超薄桶灯吊顶天花灯过道嵌入式洞灯客厅5w

欧普LED筒灯是一款高品质嵌入式照明产品,适用于客厅、过道、吊顶等多种场景。采用优质LED光源,提供3W和5W两种功率选择,光线柔和均匀,显色指数高,有效还原真实色彩。超...
7.45

水口钳高硬度模型剪钳电子钳工业级口水剪斜嘴钳偏口斜口专用钳子

水口钳高硬度模型剪钳是一款工业级精密工具,专为电子、模型制作及精细作业设计。采用优质高碳钢材质,经热处理工艺打造,具备卓越的硬度和耐磨性,可轻松剪切金属引脚、...
4.8

170电子剪钳II 如意斜口钳 工业斜嘴钳水口钳 模型剪塑胶钳尖嘴钳

170电子剪钳II如意斜口钳是一款专业级精密工具,集工业斜嘴钳、水口钳、模型剪、塑胶钳与尖嘴钳功能于一体,适用于电子维修、模型制作、手工艺及精密作业。其采用优...
4.5

安全帽国标工地加厚施工领导透气安全头盔建筑工程监理免费印字

本款安全帽严格遵循国家GB 2811-2019标准,专为建筑工程、工地施工及监理人员设计。采用高强度ABS工程塑料,加厚壳体有效抗冲击,保障头部安全。帽体轻盈透气,内置可调...
10

网站栏目