电动机按钮互锁正反转控制电路
时间:2023-03-09来源:佚名
|
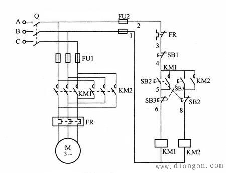
如下图所示电路是一款按钮互锁正反转控制电路,实际上它是将两个接触器的常闭触点去掉,换上复合按钮的常闭触点,来实现正反转互锁控制的。复合按钮的特点是,同一个按钮上的常开触点和常闭触点联动,并且操作时常闭触点先断开,常开触点后闭合,复位时,常开触点先断开,常闭触点闭合。
如需要电动机停止,按下停止按钮SB1即可。 |
|
如下图所示电路是一款按钮互锁正反转控制电路,实际上它是将两个接触器的常闭触点去掉,换上复合按钮的常闭触点,来实现正反转互锁控制的。复合按钮的特点是,同一个按钮上的常开触点和常闭触点联动,并且操作时常闭触点先断开,常开触点后闭合,复位时,常开触点先断开,常闭触点闭合。
如需要电动机停止,按下停止按钮SB1即可。 |






