中睿照明网
首页
>
百科知识
>
电工知识
三菱plc内部电路图_三菱fxplc内部电路图
时间:2023-03-09
来源:佚名
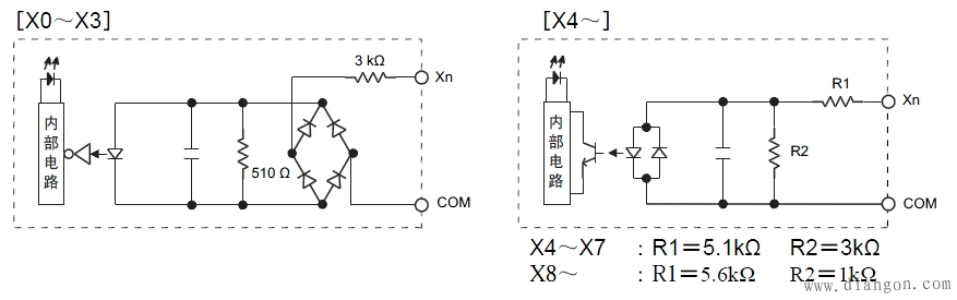
三菱plc内部电路图_三菱fxplc内部电路图
相关阅读
带R、RL、RLE负载的单相全波可控整流电路输出波形及工作原理
带R、RL、RLE负载的单相全波可控整流电路输出波形及工作原理 电路图及原理 1、全波整流电路图 2、工作原理 带R、RL、RLE负载的单相全波可控整流电路 1.阻性负载 2.RL负载 3.RLE负载 电路...
2023-06-27
正弦交流电路与其分析方法“相量法”(上)
【免费下载】 PLC软件下载_PLC软件安装教程_PLC手册下载_PLC案例下载! 【免费学习】 变频器精品课程_西门子PLC精品教程_三菱PLC精品教程! “相量是什么?它和向量、矢量有什么区别?”...
2023-06-27
钳位二极管保护电路图 TVS钳位二极管保护原理详解
一、什么是钳位二极管 钳位二极管其实就是TVS 管,也就是瞬态抑制二极管的简称(Transient Voltage Suppressor)。它是在稳压二极管的基础上发展而来的,是一种二极管形式的新型高效能保...
2023-08-18
如何让小灯点亮
01:21...
2023-03-29
半波整流电路二极管是关键
二极管:电子元件当中,一种具有两个正负极的装置,只允许电流由单一方向流过,很多时候使用它是利用他来完成整流,输出直流电。 二极管种类有很多,按照所用的半导体材料,可...
2023-03-29
热销商品
加厚abs安全帽电工建筑工地程施工领导监理透气防砸头盔可印字V型
这款加厚ABS安全帽专为电工、建筑工地施工人员、领导及监理设计,采用高强度ABS工程塑料,抗冲击、防砸性能优异,有效保障头部安全。帽体加厚设计,增强耐用性与防护等级...
¥
5.8
欧普led筒灯3w孔灯超薄桶灯吊顶天花灯过道嵌入式洞灯客厅5w
欧普LED筒灯是一款高品质嵌入式照明产品,适用于客厅、过道、吊顶等多种场景。采用优质LED光源,提供3W和5W两种功率选择,光线柔和均匀,显色指数高,有效还原真实色彩。超...
¥
7.45
水口钳高硬度模型剪钳电子钳工业级口水剪斜嘴钳偏口斜口专用钳子
水口钳高硬度模型剪钳是一款工业级精密工具,专为电子、模型制作及精细作业设计。采用优质高碳钢材质,经热处理工艺打造,具备卓越的硬度和耐磨性,可轻松剪切金属引脚、...
¥
4.8
170电子剪钳II 如意斜口钳 工业斜嘴钳水口钳 模型剪塑胶钳尖嘴钳
170电子剪钳II如意斜口钳是一款专业级精密工具,集工业斜嘴钳、水口钳、模型剪、塑胶钳与尖嘴钳功能于一体,适用于电子维修、模型制作、手工艺及精密作业。其采用优...
¥
4.5
安全帽国标工地加厚施工领导透气安全头盔建筑工程监理免费印字
本款安全帽严格遵循国家GB 2811-2019标准,专为建筑工程、工地施工及监理人员设计。采用高强度ABS工程塑料,加厚壳体有效抗冲击,保障头部安全。帽体轻盈透气,内置可调...
¥
10
扫码手机访问
网站栏目
行业资讯
- 行业资讯
- 技术资讯
- 人物邦
- 产业分析
- 企业动态
学术论文
- 论文
- 技术
百科知识
- LED及OLED
- 生活经验
- 生活维修
- 电工知识
- 电光源
- 材料设备
- 灯具
- 电器附件
照明商城
搜索