电动机的单向运转控制电路图
时间:2023-03-09来源:佚名
|
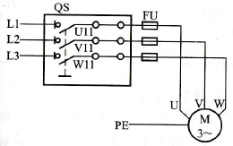
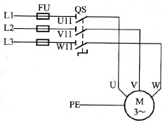
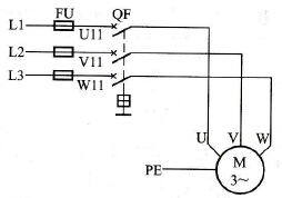
电动机的手动单向运转控制是通过低压开关来控制电动机的起动和停止,适用于小容量电动机的起动及对控制条件要求不高的场合。在工厂中常被用来控制三相风扇、小型台钻、小型砂轮机、机床的冷却泵电动机等。 用负荷开关、组合开关和低压断路器控制的电动机手动单向运转控制电路如图1~图3所示。 ![]() 图1 用开启式负荷开关控制的手动单向运转控制电路图 ![]() 图2 用组合开关控制的手动单向运转控制电路图 ![]() 图3 用低压断路器控制的手动单向运转控制电路图 |









