双速电动机控制电路图
时间:2023-03-09来源:佚名
|
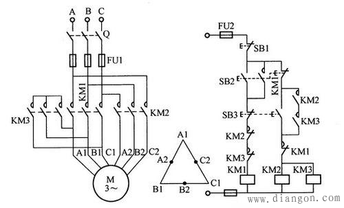
双速异步电动机改变转速可采用改变绕组的接线方法来实现。如下图所示的电路接线图中,KM1为电动机三角形连接接触器,KM2、KM3为双星形连接接触器,SB2为低速起动按钮,SB3为高速起动按钮。 合上电源开关Q,按下起动按钮SB2,接通接触器线圈KM1电源,同时切断接触器KM2、KM3的电源,接触器KM1得电并自锁,使电动机定子绕组接成三角形,按低速起动运转。
双速异步电动机启动控制电路图 如需电动机高速运转,可按下按钮SB3, KM1的线圈断电释放,主触点断开,自锁触点断开,互锁触点闭合。当SB3按到底时,SB3的常开触点闭合,接触器KM2、KM3线圈同时得电,经KM2、KM3常开触点串联组成的自锁电路自锁,KM2、KM3主触点闭合,将电动机定子绕组接成双星形,以髙速度运转。
|









