常用避雷器的主要技术数据
时间:2023-03-09来源:佚名
|
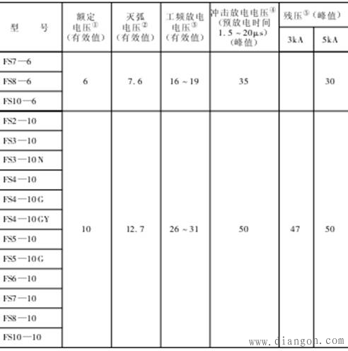
(1) 交流配电用阀式避雷器 主要技术数据见表1。 ① 额定电压指避雷器长期正常工作的工频电压,其值与装置地点电网的额定电压一致。 ② 灭弧电压指在保证灭弧 (切断工频续流)的条件下,允许加在避雷器上的最高工频电压。 ③ 工频放电电压,阀式避雷器的通断能力有限,一般允许内部过电压的情况不动作,但是,内部过电压能量较大,普通的阀式避雷器在发生内部过电压时可能会引起爆炸,为此规定了这个电压数值。 ④ 冲击放电电压指 1.5/40μs的标准波预放电,时间为 1.5 ~ 20μs的冲击放电电压。 ⑤ 残压指雷电流通过避雷器时,在其两端的电压降,避雷器残压愈小,说明阀性电阻片的通流能力愈好。 (2) 常用交流电站用阀式避雷器主要技术数据见表2。 表3 电机用磁吹阀式避雷器主要技术数据 单位:kV (4)交流有串联间隙配电型金属氧化物避雷器主要技术数据见表4。 (5)常用无间隙金属氧化物避雷器主要技术数据见表5。 单位:kV 表5 常用无间隙金属氧化物避雷器主要技术数据 单位:kV |











