延时器的作用和电路工作原理图解
时间:2023-03-09来源:佚名
|
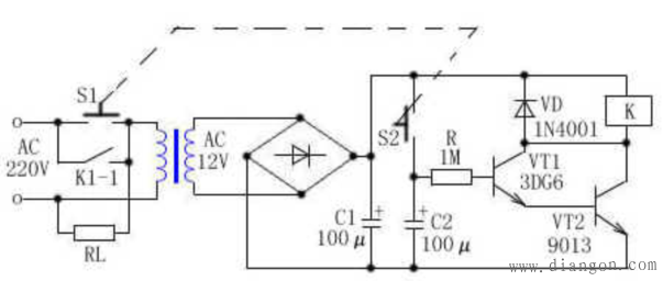
电路如上图所示。工作时,按下S1、S2后,整流电源对C2充电,C2两端的电压迅速达到电源电压值。同时,电源经R为V1、V2组成的复合管提供基极偏流,使复合管导通,继电器K吸合,其触点K1-1闭合与S1一起为电器RL提供交流电源,S1、S2松开时RL仍能正常工作;但S1、S2松开后,电容C2经R、复合管放电,使复合管保持导通状态,以维持RL的正常工作;随着时间的延迟,C2上的电压不足以维持复合管的导通,K便释放,电器RL上的电源就被自动切断,从而达到了自动关机的目的。延时时间的长短由C2和R的时间常数决定,改变C2或R的数值可以改变延时时间的长短(按图中数值延时约7分钟),加大C2或R的数值,延时时间变长,反之时间变短。这种电路适用于走道上会自动熄灭的照明灯。 实际生活中,延时器是产生混响或回声的效果器。有模拟延时器,数字延时器、混响器等c它们的原理基本相同,广泛用于舞台音响,卡拉OK。延迟时间可以从50毫秒到1秒以上,电吉他用的延时器一般为20~476毫秒之间,时间短产生混响效果(大厅效应人时间长则产生回声(山谷效应人电吉他通过延时器之后声音丰富、饱满、有空间感。回声,则常用于电吉他演奏最高潮时最末一个音符加入,以便出现几个反射回声,情似对山谷呼喊。 |









