|
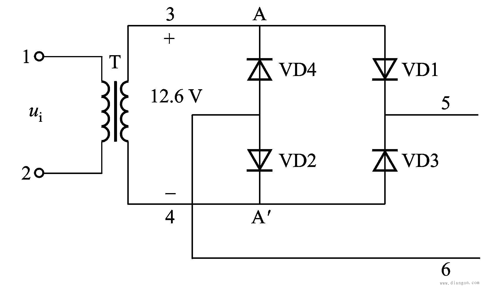
1.组成:单向桥式整流电路如图所示,是由4只整流二极管和负载RL接成单向电桥形式。
 2.工作原理:二极管正极电位高于负极电位或正极电位大于二极管死区电压,二极管导通,导通后通过负载的电流方向不改变,从而在负载上得到极性不变的脉动直流电。 (1)当vi正半周时 变压器T次级线圈3正4负,二极管VD1、VD2导通, VD3、VD4截止负载RL上获得单向脉动电流。电流方向:3®VD1 ® 负载 ® VD2 ® 4。 (2)当vi负半周时 变压器T次级线圈4正3负,二极管VD3、VD4导通, VD1、VD2截止负载RL上获得单向脉动电流。电流方向:4®VD3 ® 负载 ® VD4 ® 3。 3.电路特点:输出电压脉动小;每只整流二极管承受的最大反向电压也较小;变压器的利用效率高。
|