|
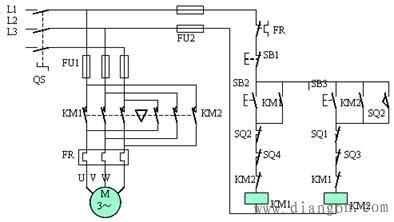
把SQ1.SQ2.SQ3.SQ4安装在工作台需限位的地方。SQ1被用来自动换接电动机反转控制电路,实现工作台的自动返回行程控制;SQ2作反转限位控制;SQ3.SQ4被用来作终端保护,以防止SQ1.SQ2失灵,工作台越过限定位置而造成事故。在工作台的T型槽中装有两块挡铁,挡铁1只能和SQ1.SQ3相碰撞,挡铁2只能和SQ2.SQ4相碰撞。当工作台运动到需要位置时,挡铁碰撞行程开关,使其触点动作,自动换接电动机正反转电路,通过机械传动机构使工作台自动往返运动。
 电路的工作原理如下: 合上电源开关QS。 按下起动按钮SB2,KM1线圈得电,KM1联锁触点和自锁触点分别断开和闭合,起到联锁和自锁保护作用,KM1主触点闭合,电动机正转,拖动工作台右移,当右移到限定位置时,挡铁2碰撞行程开关SQ2。 SQ2常闭触点先分断,KM1主触点分断,电动机失电停转,工作台停止右移,KM1联锁触点恢复闭合,为KM2线圈得电作好准备。 SQ2常开触点后闭合,接通KM2线圈回路,KM2主触点闭合,电动机反转,拖动工作台左移,此时,SQ2触点复位,当工作台左移至限定位置时,挡铁1碰撞行程开关SQ1。 SQ1常闭触点先分断,KM2线圈失电,KM2主触点分断,电动机停止反转,工作台停止左移。
|