可编程控制器控制电动机的顺序启动
时间:2023-03-10来源:佚名
|
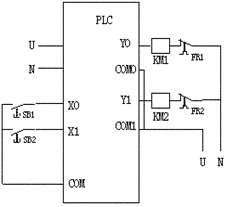
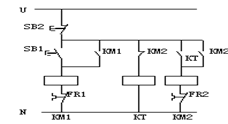
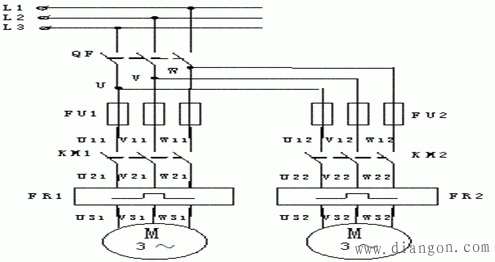
方式一:按下启动按钮,由可编程控制器控制电动机M1,M2先后启动运行,按下停止按钮,两个电动机停止工作。 方式二:按下启动按钮,由可编程控制器控制电动机M2,M1先后启动运行,按下停止按钮,两个电动机停止工作。
|
|
方式一:按下启动按钮,由可编程控制器控制电动机M1,M2先后启动运行,按下停止按钮,两个电动机停止工作。 方式二:按下启动按钮,由可编程控制器控制电动机M2,M1先后启动运行,按下停止按钮,两个电动机停止工作。
|








