
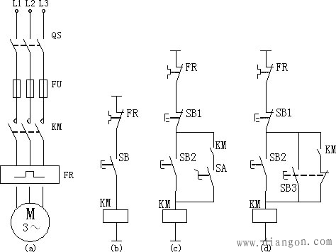
图(a)为主电路。工作时,合上刀开关 QS ,三相交流电经过 QS ,熔断起 FU ,接触器 KM 主触点,热继电器 FR 至三相交流电动机。 图(b)为最简单的点动控制线路。起动按钮 SB 没有并联接触器 KM 的自锁触点,按下 SB , KM 线圈通电,松开按钮 SB 时,接触器 KM 线圈又失电,其主触点断开,电动机停止运转。 图(c)是带手动开关 SA 的点动控制线路。当需要点动控制时,只要把开关 SA 断开,由按钮 SB 2 来进行点动控制。当需要正常运行时,只要把开关 SA 合上,将 KM 的自锁触点接入,即可实现连续控制。 图(d)中增加了一个复合按钮 SB 3 来实现点动控制。需要点动运行时,按下 SB 3 点动按钮,其常闭触点先断开自锁电路,常开触发后闭合接通起动控制电路, KM 接触器线圈得电,主触点闭合,接通三相电源,电动机起动运转。当松开点动按钮 SB 3 时, KM 线圈失电, KM 主触点断开,电动机停止运转。 若需要电动机连续运转,由停止按钮 SB 1 及起动按钮 SB 2 控制,接触器 KM 的辅助触点起自锁作用。 |