采用时间继电器的Y-△降压起动控制电路原理图解
时间:2023-03-10来源:佚名
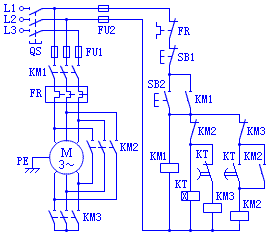
|
按下SB2后,接触器KM1得电并自锁,同时KT、KM3也得电,KM1.KM3主触点同时闭合,电机以星形接法起动。当电机转速接近正常转速时,到达通电延时型时间继电器KT的整定时间,其延时动断触点断开,KM3线圈断电,延时动合触点闭合,KM2线圈得电,同时KT线圈也失电。这时,KM1.KM2主触点处于闭合状态,电动机绕组转换为三角形连接,电机全压运行。图中把KM2.KM3的动断触点串联到对方线圈电路中,构成“互锁”电路,避免KM2与KM3同时闭合,引起电源短路。
在电机Y—Δ起动过程中,绕组的自动切换由时间继电器KT延时动作来控制。这种控制方式称为按时间原则控制,它在机床自动控制中得到广泛应用。KT延时的长短应根据起动过程所需时间来整定。 |







