原理:在电动机启动时,在三相定子电路中串入电阻,使加在电动机绕组上的电压低于电网电压,待启动后,再将电阻短路,电动机在额定电压下正常运行。此种方法适应于低压电动机。 优缺点:调节所串电阻或电抗的大小,可调节启动电流,但由于电阻和电抗的降压作用,使启动是加在电动机上的电压低于电网电压,因而使启动转矩减小,由于电阻和电抗在电机启动时的温度很高,故不易频繁启动。 中等容量的低压鼠笼式异步电动机启动时在定子回路中串电阻启动;当为高压鼠笼式异步电动机时,应选用定子回路串电抗器启动。
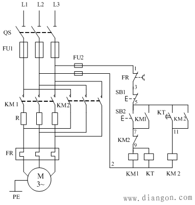
 电动机定子串电阻降压起动控制电路原理图 为减少起动电流,可以在电动机起动时在定子回路中串入电阻器,起动结束后,再将电阻短接。这种起动电路,由于启动时转矩较小,一般只适用于空载起动的电动机。 串电阻启动方式的优点的设备简单、造价低;缺点是能量损耗较大。 控制过程如下: 1、合上电源刀闸QS,线路有电。 2、按下启动按钮SB2,接触器KM1和时间继电器KT的线圈同时得电吸合,KM1的主触点闭合,电动机定子串电阻R降压起动。接触器KM1的辅助常开接点闭合电路实现自锁。时间继电器KT的线圈得电后,开始延时。 3、时间继电器延时的时间到,时间继电器的延时闭合的常开接点闭合,接触器KM2线圈得电吸合,KM2的主触点闭合,将电阻器R短接,电动机在全压下运行,KM2的辅助常开接点闭合实现电路自锁,同时KM2的辅助常闭接点断开,切除接触器KM1和时间继电器KT线圈的电路,使KM1和KT失电复位。 4、电动机过电流保护由热继电器FR完成。
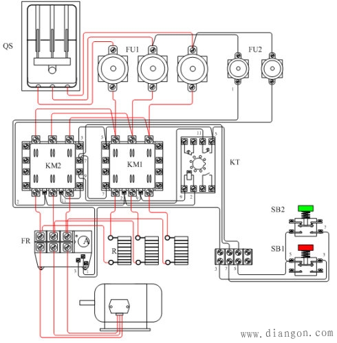
 电动机定子串电阻降压起动控制电路接线示意图
|