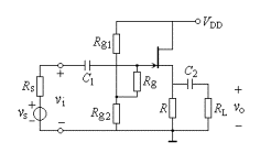
共漏组态基本放大电路如图1所示,其直流工作状态和动态分析如下。

图1 共漏组态放大电路 图2 共漏放大电路的直流通路
⑴. 直流分析
将共漏组态接法基本放大电路的直流通路画于图2之中,于是有
VG=VDDRg2/(Rg1+Rg2)
VGSQ=VG-VS=VG-IDQR
IDQ=IDSS[1-(VGSQ/VGSoff)]2
VDSQ= VDD-IDQR
由此可以解出VGSQ、IDQ和VDSQ。
⑵. 交流分析
将图1的CD放大电路的微变等效电路画出,如图3所示。

图3 共漏放大电路的微变等效电路
①电压放大倍数
由图3可知

式中RL′=rds//R//RL≈R//RL。
为正,表示输入与输出同相,当gmRL′>>1时,
≈1。
比较共源和共漏组态放大电路的电压放大倍数公式,分子都是gmRL',分母对共源放大电路是1,对共漏放大电路是(1+gmRL′)。
②输入电阻
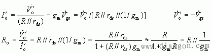
③输出电阻
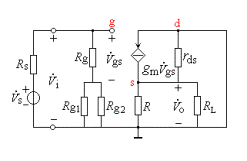
计算输出电阻的原则与其它组态相同,将图3改画为图4。


图4 求输出电阻的微变等效电路