集成D/A转换器及其应用
|
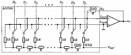
单片集成D/A转换器产品的种类繁多,性能指标各异,按其内部电路结构不同一般分为两类:一类集成芯片内部只集成了电阻网络(或恒流源网络)和模拟电子开关,另一类则集成了组成D/A转换器的全部电路。集成D/A转换器AD7520属于前一类,下面以它为例介绍集成D/A转换器结构及其应用。 1.AD7520 D/A转换器 AD7520是10位CMOS电流开关型D/A转换器,其结构简单,通用性好。AD7520芯片
图1 AD7520内部电路 图2 AD7520外引脚图 片内只含有倒T型电阻网络、CMOS电流开关和反馈电阻(R=10KW),该集成D/A转换器在应用时必须外接参考电压源和运算放大器。由AD7520采用内部反馈电阻组成的D/A转换电路如图1所示,图中虚线内部分为AD7520内部电路。AD7520芯片外引脚图如2图所示。图1中每个电子开关的实际电路如图3所示。
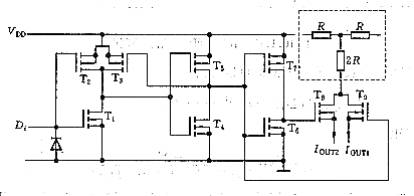
图3 COMS模拟开关 CMOS模拟开关电路由9个MOS管组成的。图中T1~T3组成电平转移电路,使输入信号能与TTL电平兼容。T4、T5及T6 、T7组成两个反相器,分别作为模拟开关T8 、T9的驱动电路,T8 、T9构成单刀双掷开关 。 当Di=1 当Di=0时, 器输出的高电平使 2. 集成D/A转换器应用举例 D/A转换器在实际电路中应用很广,它不仅常作为接口电路用于微机系统,而且还可利用其电路结构特征和输入、输出电量之间的关系构成数控电流源、电压源,数字式可编程增益控制电路和波形产生电路等。下面以数字式可编程增益控制电路和波形产生电路为例说明它的应用。 (1)数字式可编程增益控制电路 数字式可编程增益控制电路如图4所示。电路中运算放大器接成普通的反相比例放大形式,AD7520内部的反馈电阻R为运算放大器的输入电阻,而由数字量控制的倒T形电阻网络的等效电阻便随之改变。这样,反相比例放大器在其输入电阻一定的情况便可得到不同的增益。
图4 数字式可编程增益控制电路 根据运算放大器虚地原理,可以得到
所以
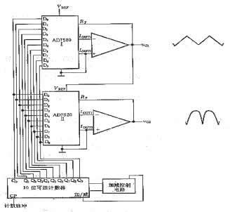
如将AD7520芯片中的反馈电阻R作为反相运算放大器的反馈电阻,数控AD7520的倒T形电阻网络连接成运算放大器的输入电阻,不难推断出电路为数字式可编程衰减器。 (2)脉冲波产生电路 由D/A转换器AD7520、10位可逆计数器及加减控制电路组成的波形产生电路如图5。
图5 AD7520组成的波形产生电路 加/减控制电路与10位二进制可逆计数器配合工作,当计数器加到全“1”时,加/减控制电路复位使计数器进入减法记数状态,而当减到全“0”时,加减控制电路置位,使计数器再次处于加法记数状态,如此周而复始。可得D/A转换器(I)的输出电压为
可以看出, 将这个三角波作为D/A转换器(II)的参考电压,由于两个D/A转换器数字量相同,于是可得第二级D/A转换器输出的模拟电压为
显然,这是一个抛物波。 |
反相器输出低电平,从而使
接至运算放大器的反向输入端,权电流流入运算放大器。








