LA4102集成功放电路工作原理
时间:2023-03-10来源:佚名
|
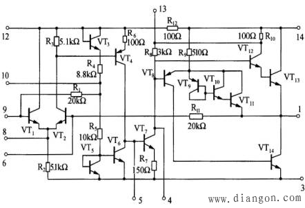
LA4102 功放具有集成运放的结构特点,由输入级、中间级和输出级三部分组成,其内部电路如图 1 所示。
图 1 LA4102集成功放内部电路 输入级由 VT1 、VT2 组成差动电路,用以减小温漂,提高输入阻抗和减小噪声。VT3、R4 、R5及VT5组成分压网络,一方面为 VT1提供静态偏置电压,另一方面为 VT5、VT6组成的镜像恒流源提供参考电流。VT4、VT7组成两级电压放大器,具有较高的电压增益。VT8 、VT14组成的PNP型复合管与VT12、VT13组成的NPN型复合管共同构成互补对称推挽输出电路。R9 、VT9~VT11为电平移动电路,给末级功放提供合适的静态偏置。R11接于输出端和VT2的基极之间,构成很深的直流负反馈,可以稳定静态工作点,提高共模抑制比。此集成功放采用单电源供电方式接成OTL电路形式,也可以采用正负双电源供电方式(将③脚接负电源)接成OCL电路形式。 |







