甲乙类单电源互补对称电路
时间:2023-03-10来源:佚名
|
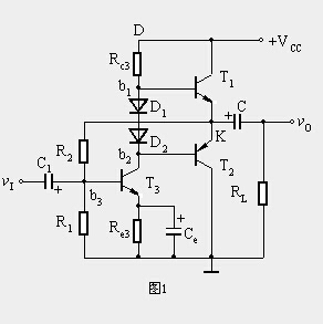
图1是采用一个电源的互补对称原理电路,图中的T3组成前置放大级,T2和T1组成互补对称电路输出级。在输入信号vi =0时,一般只要R1、R2有适当的数值,就可使IC3 、VB2和VB1达到所需大小,给T2和T1提供一个合适的偏置,从而使K点电位VK=VC=VCC/2 。 当加入信号vi时,在信号的负半周,T1导电,有电流通过负载RL,同时向C充电;在信号的正半周,T2导电,则已充电的电容C起着双电源互补对称电路中电源-VCC的作用,通过负载RL放电。只要选择时间常数RLC足够大(比信号的最长周期还大得多),就可以认为用电容C和一个电源VCC可代替原来的 VCC和-VCC两个电源的作用。 值得指出的是,采用一个电源的互补对称电路,由于每个管子的工作电压不是原来的VCC,而是VCC/2,即输出电压幅值Vom最大也只能达到约VCC/2,所以前面导出的计算Po、PT、和PV的最大值公式,必须加以修正才能使用。修正的方法也很简单,只要以VCC/2代替原来的公式中的VCC即可。 |







