倒T形电阻网络D/A转换器
|
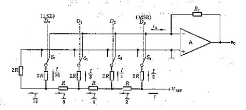
在单片集成D/A转换器中,使用最多的是倒T形电阻网络D/A转换器。常用的CMOS开关倒T形电阻网络D/A转换器的集成电路有AD7520(10位)、DAC1210(12位)及AK7546(16位高精度)等。下面以4位D/A转换器为例说明其工作原理。 1.电路结构及原理 4位倒T形电阻网络D/A转换器的原理图如1所示。图中S0—S3为模拟开关,R-2R
图1 倒T形电阻网络D/A转换器 电路解码网络呈倒T形,运算放大器A组成求和电路。模拟开关Si由输入数码Di控制,当Di=1时,Si接运算放大器反相端,电流Ii流入求和电路;当Di=0时,Si则将电阻2R接地。根据运算放大器线性运用时虚地的概念可知,无论模拟开关Si处于何种位置,与Si相连的2R电阻均将连“地”(地或虚地)。这样,流经2R电阻的电流与开关位置无关,为确定值。分析R-2R电阻网络可以发现,从每个节点向左看的二端网络等效电阻均为R,流入每个2R电阻的电流从高位到低位按2的整数倍递减。设由基准电压源提供的总电流为I(I=VREF/R),则流入各开关支路(从右到左)的电流分别为I/2、I/4、I/8和I/16。 于是可得总电流 iå=VREF/R(D0/24 D1/23 D2/22 D3/21)=VREF/(24 ´R)å(Di·2i) 输出电压
将输入数字量扩展到n位,可得到n位倒T形电阻网络D/A转换器输出模拟量与输入数字量之间的一般关系式
若将式中
该式表明,对于在图1电路中输入的每一个二进制数NB,均能在其输出端得到与之成正比的模拟电压vo。 通过以上分析看到,要是D/A转换器具有较高的精度,对电路中的参数有以下要求: ² 基准电压稳定性好; ² 倒T形电阻网络中R和2R电阻比值的精度要高; ² 每个模拟开关的开关电压降要相等。为实现电流从高位到低位按2的整数倍递减,模拟开关的通电阻也相应地按2的整数倍递增。 2.电路优点 由于在倒T形电阻网络D/A转换器中,各支路电流直接流入运算放大器的输入端,它们之间不存在传输上的时间差。电路的这一特点不仅提高了转换速度而且也减小了动态过程中输出端可能出现的尖脉冲。它是目前广泛使用的D/A转换器速度较快的一种。 |





