电压源与电流源的转换
时间:2023-03-10来源:佚名
|
1 .特性:电压源可以等效转换为一个理想的电流源 I S 和一个电阻 R S 的并联,电流源可以等效转换为一个理想电压源 U S 和一个电阻 R S 的串联。即转换公式: U S =R S *I S 2 .注意: ( 1 )转换前后 U S 与 I s 的方向, I s 应该从电压源的正极流出。
( 2 )进行电路计算时,恒压源串电阻和恒电流源并电阻两者之间均可等效变换, R S 不一定是电源内阻。 ( 3 )恒压源和恒流源不能等效互换。 ( 4 )恒压源和恒流源并联,恒流源不起作用,对外电路提供的电压不变。 恒压源和恒流源串联,恒压源不起作用,对外电路提供的电流不变。 ( 5 )与恒压源并联的电阻不影响恒压源的电压,电阻可除去,不影响其它电路的计算结果;与恒流源串联的电阻不影响恒流源的电流,电阻可除去,不影响其它电路的计算结果;但在计算功率时电阻的功率必须考虑。 ( 6 )等效转换只适用于外电路,对内电路不等效。 例 : 如图
图 电流源的转换 ![]()
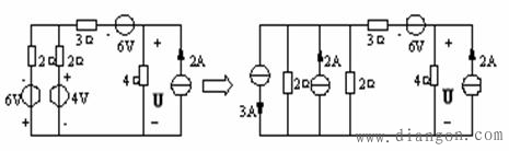
例 : 如图
图 电压源的转换
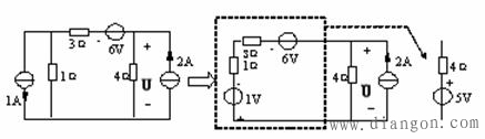
例: 如图
图 电压源的转换 ![]() |




I= 1A 








