三相电力变压器的结构和工作原理
时间:2023-03-10来源:佚名
|
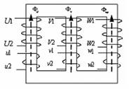
三相变压器用于三相交流电的传输,容量大、电压高。主要也是铁芯和绕组两大部分,由三个原边绕组、三个副边绕组和铁心构成。在结构上为了使铁心和绕组间良好绝缘和散热,铁心和绕组浸泡在装有绝缘油的油箱内,油箱外表面装有油管散热器。 三相变压器的工作原理与单相变压器相同,每相高、低压绕组绕在同一铁心柱上,穿过同一磁通,通过电磁感应进行电能传输。 三相变压器引线端分别用符号表示,高压绕组侧首端为U1.V1.W1,末端为U2.V2.W2,中性点N;低压绕组侧首端为u1.v1.w1,末端u2.v2.w2 ,中性点n。 高低、压绕组都有星形、三角形接法,相互组合可有六种接法。其中最常用的有三种:Y yn ;Y, d和YN , d 。 ①Y , yn接法即高压绕组星形联结,低压绕组也是星形联结,且带中性线; ②Y,d连接方式是高压绕组接成星形,低压绕组接成三角形; ③YN,d接法是高压绕组接成星形且带中性线,低压绕组接成三角形。 |










