ECL集成电路电路结构及工作原理
时间:2023-03-10来源:佚名
|
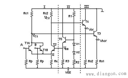
电路结构及工作原理与其它数字集成电路一样,ECL集成电路的逻辑功能也可以归结为基本门电路的工作过程。ECL集成电路的基本门为一差分管对,其电路形式如图所示:
图中 第I部分为基本门电路,完成“或/或非”功能; 第II部分为射级跟随器,完成输出及隔离功能; 第III部分为基准源电路具有温度补偿功能。 |
|
电路结构及工作原理与其它数字集成电路一样,ECL集成电路的逻辑功能也可以归结为基本门电路的工作过程。ECL集成电路的基本门为一差分管对,其电路形式如图所示:
图中 第I部分为基本门电路,完成“或/或非”功能; 第II部分为射级跟随器,完成输出及隔离功能; 第III部分为基准源电路具有温度补偿功能。 |







