自动喷水灭火系统原理
时间:2023-03-10来源:佚名
|
属于固定式灭火系统,是目前世界上采用较为广泛的一种固定式消防设施,它具有价格低廉、灭火效率高等特点。在一些发达国家的消防规范中,几乎所有的建筑都要求使用自动喷水灭火系统。在我国,随着建筑业的快速发展及消防法规的逐步完善,自动喷水灭火系统也得到了广泛的应用。自动喷水灭火系统有多种类型,在这里我们介绍在我国使用较多的湿式自动喷水灭火系统。 自动喷水灭火系统
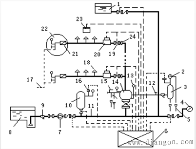
湿式自动喷水灭火系统示意图 湿式喷水灭火系统主要部件: 高位水箱:在正常状态下维持管网的压力,火灾发生初期给管网提供灭火用水。 水力警铃:水力警铃是自动喷水灭火系统中的重要部件。当火灾发生时动作报警。 延时器:它是一个罐式容器,安装在报警阀与水力警铃之间。对进入警铃管道的水流起一个暂时容纳作用,从而避免虚假报警。 湿式报警阀:安装在总供水干管上,连接供水设备和配水管网。当管网中喷头喷水就立即开启。 消防水泵结合器:用于给消防车提供供水口。 控制箱:在控制室内安装,用于接收系统传来的电信号及发出控制指令。 压力罐:用于自动启闭消防水泵。 消防水泵:给消防管网中补水用。 |








