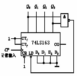
1. 计数器的分类 (1)按数制的模数分类,通常分为二进制、十进制和N进制(即任意进制)计数器。 (2)按计数脉冲输入方式的不同,可分为同步(或称并行)计数器和异步(或称串行)计数器两大类。 (3)按计数加减分类,则有递增计数器、递减计数器和可逆计数器。其中可逆计数器又有加减控制式和双时钟输入式两种。 2、四位二进制同步计数器74LS163 74LS163是(模16)四位二进制同步计数器。该计数器能同步并行预置数据,同步清零,具有清零、置数、计数和保持四种功能,并且具有进位信号输出,可串接计数使用。74LS163引脚排列见图1,
 图1 74LS163引脚排列
74LS163的逻辑功能见表1。 表1 74LS163功能表
|

|

|
CTP |
CTT |
CP |
功能 |
|
0 |
X |
X |
X |
↑ |
同步清零 |
|
1 |
0 |
X |
X |
↑ |
同步预置 |
|
1 |
1 |
1 |
1 |
↑ |
计数 |
|
1 |
1 |
0 |
1 |
X |
保持 |
|
1 |
1 |
X |
0 |
X |
保持 CO=0 |
3.构成N进制计数器 N进制计数器是指其计数从最小数到最大数共N种状态。一片74LS163计数可以有0000~1111十六种状态,可直接用作模2、4、8、16计数器,利用74LS163的清零和预置端采用复位法或置位法可以用它很方便地获得N进制计数器(M≥N≥2,M为中规模计数器的模)。 (1)预置端复位法 预置端复位法是取前N个状态构成N进制计数器的方法。图2所示是用一片74LS163和与非门根据预置端复位法构成的N进制计数器逻辑图构成的十进制计数器。
图2 利用预置端复位法构成的十进制计数器 (2)反馈清零法 如图3所示
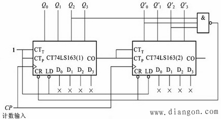
图3 利用反馈清零法构成十进制计数器 (3)进位输出端置最小数法 当取74LS163的后N个状态构成N进制计数器时,则计数序列的最大数与所选计数器74LS163的最大计数相同,此时可用进位信号CO控制预置端。 (4)检测最大数置最小数法 在取74LS163计数器计数序列中间N个状态构成计数序列时,可利用与非门检测计数序列的最大数。 若将多个计数器级连,仍采用上面介绍的方法,则可构成N>M(中规模计数器的模)的任意进制计数器。如图4所示是用两片 74LS163 级联构成的八十五进制计数器。
图4 两片 74LS163 级联构成的八十五进制计数器 4.分频器 计数器又称为分频器,N进制计数器的进位输出脉冲就是计数器输入脉冲的N分频。N进制计数器可直接作为N分频器。 |