智能大厦给排水系统监控功能
时间:2023-03-10来源:佚名
|
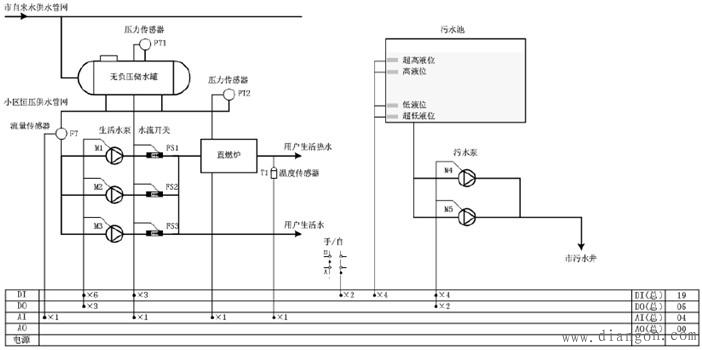
给排水是由生活供水(冷水、热水)和污水排放等环节组成。在供水方面主要是实施恒压供水,污水池液位的指示和报警,以及各种供水、排水泵的定时循环工作。恒压供水技术通常是由变频器、软启动器等组成的电气控制系统。在用户用水量比较少时,由变频器通过调节频率来适应供水流量。用户用水量增加后,可通过增加工频泵来满足供水流量。
生活水泵控制: DDC完成对生活水泵的启停控制、运行状态、故障报警信号的管理。自动实现恒压控制、循环倒泵、备用替开等功能。 水流检测: 生活水泵运行, DDC接收水流开关对水流量的检测信号。 来水压力监测: 远程压力传感器实时监测市自来水管网的压力,并将模拟信号送入DDC,实现超压和低压的及时报警和控制处理。 供水压力监测: 远程压力传感器实时监测供水管网的压力,并将模拟信号送入DDC,实现供水压力的实时监测。 频率监测: 变频器输出频率的当前值,并将模拟信号送入 DDC,实现频率的实时监测。 污水泵控制: DDC完成对污水泵的启停控制、运行状态、故障报警信号的监控。自动实现循环倒泵、备用替开等功能。 污水液位监测: DDC接收污水液位的检测信号,完成对超低液位、低液位、高液位、超高液位的实时显示。 报警功能: 所有检测的参数故障报警,水流开关报警,超低液位报警、超高液位报警。 显示打印: 动态运行流程画面、数据查询、运行曲线、来水压力、供水压力、变频器频率。故障报表、数据报表。 |









