支路电流法解题方法
时间:2023-03-10来源:佚名
|
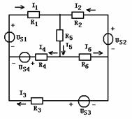
一、定义: 利用 KCL 、 KVL 列方程组求解各支路电流的方法。 二、解题步骤: • 标出所求各支路电流的参考方向(可以任意选定)和网孔绕行方向; • 确定方程数,若有 b 条支路,则有 b 个 方程; • 列独立的 KCL 方程(结点电流方程),若有 n 个 结点,则可列 (n-1) 个 独立的结点电流方程; • 不足的方程由独立的 KVL 方程补足(回路电压方程),若有 m 个 网孔,就可列 m 个 独立的回路电压方程,且 m (n-1)=b ; • 联立方程组,求解未知量。 ※概念:独立回路:如果每一回路至少含有一条为其他已取的回路所没有包含的回路称为独立回路;网孔:中间不含任何其他支路的回路。独立回路不一定是网孔。 例: 如图所示电路,列出用支路电流法求解各支路电流的方程组。 解: 支路数为 6 条
|
方程数为 6 个,结点数为 4 个
独立的结点电流方程数为 3 个,网孔数为 3 个
独立的 KVL 方程数为 3 个。
则方程组可联立为: 









