一次设备是指直接用于生产、输送、分配电能的电器设备,包括发电机、电力变压器、断路器、隔离开关、母线、电力电缆和输电线路等,是构成电力系统的主体。二次设备是用于对电力系统及一次设备的工况进行监测、控制、调节和保护的低压电气设备,包括测量仪表、通信设备等。二次设备之间的相互连接的回路统称为二次回路,它是确保电力系统安全生产、经济运行和可靠供电不可缺少的重要组成部分。 本文简单描述一下断路器控制回路的基本原理,由最基本的回路入手,逐步加入防跳回路和闭锁回路,并对电路做一些完善。当然,本文所给出的回路原理图仅仅是最最基本的、用于解释其基本原理的,实际应用中的回路要复杂得多。 一、 最最基本的回路原理图:

SB1:合闸开关 SB2:分闸开关 QF:断路器辅助触点 LC:合闸线圈 LT:分闸线圈 其动作原理很简单,不再赘述。 二、 增加防跳回路: 上面的回路存在一个问题: 如果SB1按下,而此时电路中存在故障,继电保护设备会立即动作,使断路器跳闸,此过程几乎瞬时发生,而操作人员尚来不及松开SB1,则SB1回路中的QF由于断路器跳闸而复又闭合,此时会导致LC再次得电,断路器再次合闸。如此往复,发生了“跳跃”。 如果合闸成功,但SB1由于某种原因粘连而无法断开,那么在操作人员按下SB2进行分闸时,由于SB1粘连,同样会导致跳跃现象的发生。 跳跃现象对设备和操作人员的安全均构成很大危害,所以需要增加防跳回路。 增加了防跳回路的原理图如下:
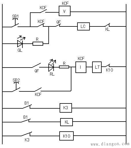
 KCF(I):电流防跳继电器,电流达到限定值时动作,此回路中,防止合闸于故障时的跳跃 KCF(V):电压防跳继电器,电压达到限定值时动作,此回路中,防止分闸于故障时的跳跃 动作过程如下: 合闸:SB1按下à绿灯(GL)失电熄灭,LC得电à断路器合闸àQF改变状态à红灯(RL)亮,KCF(I)得电【由于有RL和R的限流,分闸线圈LT不足以动作】àKCF各辅助触点改变状态àKCF(V)得电 达到上述状态,则合闸动作完成,此过程几乎瞬时完成,SB1尚来不及松开。 若此时由于故障,保护装置使断路器跳闸,则由于KCF(V)的保持作用,SB1回路经KCF辅助触点改道KCF(V)回路,不会再使LC得电,也就避免了断路器的再次合闸,从而避免了跳跃的发生。 如果回路没有故障,则合闸成功。此时松开SB1,则KCF(V)失电,但由于KCF(I)依然得电,则KCF的各个辅助触点保持。 分闸:SB2按下àRL失电熄灭,LT得电且达到限定电流动作à断路器分闸àQF恢复到图中初始状态à正常状态下,在合闸成功后,各KCF辅助触点仍然保持合闸后的状态,使SB1支路经由KCF(V)导通à松开SB2àKCF(I)、KCF(V)均失电à各KCF辅助触点恢复图中初始状态,GL回路导通,绿灯亮【由于有GL和R的限流,LC合闸线圈不足以动作】 若由于故障,最典型如SB1粘连:由于合闸成功后各KCF辅助触点的保持,此时,SB1回路改道KCF(V)回路,不会再使LC再次得电而导致断路器合闸,从而避免了跳跃现象的发生。 三、增加闭锁回路 增加了防跳回路的控制回路已得到了一定的完善,但是仍存在问题:例如断路器的操动系统存在问题(液压、气压过高或过低,弹簧储能尚未完成等),此时进行分、合闸操作,则很容易导致分、合闸的动作失败。例如:断路器的操动机构为弹簧,若弹簧储能未完成,则分、合闸动作不能完成,或完成得不到位,容易对设备造成损害。 故需增加闭锁回路,防止此类情况发生。下面以弹簧操动机构的断路器举例,简要说明一下增加弹簧储能闭锁回路的二次回路。 原理图如下:
 B1:弹簧储能未完成时闭合 若弹簧储能未完成,则B1闭合,线圈K3、KL得电,最终导致辅助触点KL、K10跳开,此时无论是合闸还是分闸均无法实现,起到了所期望的闭锁效果。 四、进一步的完善 直到第三节,本文所欲简述的断路器二次回路已初具雏形,但仍需做进一步的完善:指示灯RL和GL直接接在分、合闸线圈所在回路中,如果所用的是功率较大的白炽灯,则会在分、合闸线圈上产生较大压降,同时切断分、合闸线圈时可能产生的较大干扰电压也容易使白炽灯烧坏。要避免上述缺点,可以用中间继电器接在分、合闸回路,再由继电器接点控制指示灯,原理图如下:

(其原理相对简单,此处不再赘述) |