555定时器接成的多谐振荡器
|
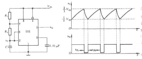
由555定时器构成的多谐振荡器及其工作波形如图6.32所示。接通电源后,电容C被放电,
当C放电结束时,T截至, 当 由于555内部的比较器灵敏度较高,而且采用差分电路形式,它的振荡频率受电源电压和温度变化的影响很小。
(a)电路图 (b)工作波形 图1 由555定时器构成的多谐振荡器 图1所示电路
图2 占空比可调的方波发生器 电路利用 电容器C通过
因而,振荡频率为 可见,这种振荡器输出波形的占控比为 q(%)= 注:上面仅讨论了由555定时器组成的单稳态触发器、多谐振荡器和施密特触发器,实际上,由于555定时器的比较器灵敏度高,输出驱动电流大,功能灵活,因而在电子电路中获得广泛应用。 |
,






