
图
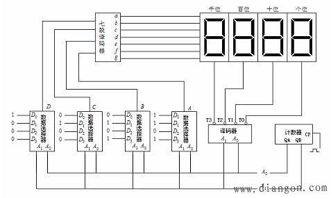
( 1 )利用数据选择器的分时传输功能,可分别传送四组 8421BCD 码,并进行译码显示。一般一个数码管需要一个七段译码显示器,利用数据选择器和显示控制译码器组成动态显示,则若干个数码管可共用一片七段译码显示器。
( 2 )用四个四选一(这里,我们使用两片双四选一 74LS153 )可组成一个四路数据选择器。四路 8421BCD 码如图连接:每一路数据的个位数全送至数据选择器 A 的 D 0—D3 位,十位送选择器 B 的 D 0—D3 位,百位送选择器 C 的 D 0—D3 位,千位送选择器 D 的 D0-- D 3 位。当地址码为 00 时,数据选择器传送的是第一路 8421BCD 码,当地址码为 01 、 10 、 11 时则分别传送第二至第四路数据,经译码驱动后就分别得到四路数据的七段显示码。哪一个数码管亮,受地址码经 2 – 4 线译码器的输出控制。当 A 1 A 0=00 时, Y 0=0 ,则对应第一路数据的数码管亮,其它依次类推为第二到第四路数据的数码管亮。
( 3 )当接入计数器后,由CP端输入一定频率的TTL信号,QA、QB分别接数据选择器和显示控制译码器的地址输入端A0、A1 ,由于QB,QA 端以00、01、10、11循环,故构成一个模4的计数器。当四个数码管以较高频率依次点亮时,由于人的视觉停留效果,看上去四个数码管都一直处于点亮的状态。