用555定时器接成的单稳态触发器
|
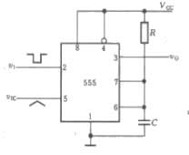
由555构成的单稳态触发器及工作波形如下图所示。
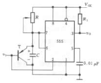
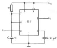
图1 用555定时器接成的单稳态触发器 图2 图1电路的电压波形图 电源接通瞬间,电路有一个稳定的过程,即电源通过电阻R向电容C充电,当 这种电路产生的脉冲宽度可从几个微秒到数分钟,精度可达0.1%。 通常R的取值在几百欧姆之间,电容取值为几百皮法到几百微法。由图6.28可知,如果在电路的暂稳态持续时间内,加入新的触发脉冲,如图6.29中的虚线所示,则该脉冲不起作用,电路为不可重复触发单稳。 由555定时器构成的可重复单稳电路如下图所示。 (a)电路图 (b) 工作波形 图3 由555定时器构成的可重复触发单稳电路 当 如果在控制电压端(5脚)施加一个变化电压,又555构成的单稳态电路可作为脉冲宽度调制器,如图4所示。
(a)逻辑图 (b)波形图 图4 脉冲宽度调制器 当控制电压升高时,电路的阈值电压也升高,输出的脉冲宽度随之增加;而当控制电压降低时,电路的阈值电压也降低,单稳的输出脉宽则随之减小。因此,若控制电压如图b所示的三角波时,在单稳的输出端便得到一串随控制电压变化的脉冲宽度调制波。从
|
上升到
时,触发器复位,
为低电平,放电BJT T导通,电容C放电,电路进入稳定状态。若触发输入端施加触发信号(
),触发器发生翻转,电路进入暂稳态,
输出高电平,且BJT T截止。此后电容C充电至
=
时,电路又发生翻转,
为低电平,T导通,电容C放电,电路恢复至稳定状态。如果忽略T的饱和压降,则
从零电平上升到
的时间,即为输出电压
的脉宽
:
=RCln3≈1.1RC








