电容滤波电路的原理分析
|
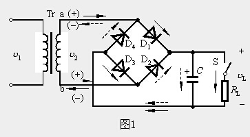
图1为单相桥式整流、电容滤波电路。在分析电容滤波电路时,要特别注意电容器两端电压vC对整流元件导电的影响,整流元件只有受正向电压作用时才导通,否则便截止。 负载RL未接入(开关S断开)时的情况:设电容器两端初始电压为零,接入交流电源后,当v2为正半周时,v2通过D1、D3向电容器C充电;v2为负半周时,经D2、D4向电容器C充电,充电时间常数为
其中Rint包括变压器副绕组的直流电阻和二极管D的正向电阻。由于Rint一般很小,电容器很快就充电到交流电压v2的最大值
接入负载RL(开关S合上)的情况:设变压器副边电压v2从0开始上升(即正半周开始)时接入负载RL,由于电容器在负载未接入前充了电,故刚接入负载时v2 < vC,二极管受反向电压作用而截止,电容器C经RL放电,放电的时间常数为
因τd一般较大,故电容两端的电压vC按指数规律慢慢下降,其输出电压vL = vC,如图2的ab段所示。与此同时,交流电压v2按正弦规律上升。当v2>vC时,二极管D1、D3受正向电压作用而导通,此时v2经二极管D1、D3一方面向负载RL提供电流,另一方面向电容器C充电(接入负载时的充电时间常数tc =( RL || Rint)C≈Rint C很小),vC将如图2中的bc段,图中bc段上的阴影部分为电路中的电流在整流电路内阻Rint上产生的压降。vC随着交流电压v2升高到接近最大值 |

,极性如图1所示。由于电容器无放电回路,故输出电压(即电容器C两端的电压vC)保持在
,输出为一个恒定的直流,如图2中wt<0(即纵坐标左边)部分所示。

。然后,v2又按正弦规律下降。当v2 < vC时,二极管受反向电压作用而截止,电容器C又经RL放电,vC波形如图2中的cd段。电容器C如此周而复始地进行充放电,负载上便得到如图2所示的一个近似锯齿波的电压vL = vC,使负载电压的波动大为减小。







