锯齿波形成电路
时间:2023-03-10来源:佚名
|
锯齿波产生电路可以由三角波产生电路演变而成。下面是一个三角波形成电路:
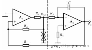
上图中虚线左边为一同相输入滞回比较器,右边为积分运算电路。滞回比较器的输出 u o1 只有高电平和低电平两种状态。当 u o1 为高电平时,该电压通 R 3 对电容器 C 充电,积分器输出电压 u o 线性下降;当 u o1 为低电平时,电容器 C 通 R 3 放电,积分器的输出电压线性上升。两电压的波形图如下所示:
由上图可见,积分器的输出电压uo便是一个三角波。如果改变积分器的正向和反向积分的时间常数,使两者不等,那么积分器输出电压uo上升和下降的斜率便不同,这样就可得到一个锯齿波电压。在积分器的R3和电容器C充放电回路中加入一对二极管和一个电位器RW ,调节电位器RW,便可使积分器的正,反向积分的时间常数不等,从而得到不同的锯齿波。其电路图和相应的波形图如下所示:
由图可见,当滞回比较器输出为高电平时,充电回路为R3,D1,RW上部和电容器 C ;当滞回比较器输出为低电平时,放电回路为电容器C,RW下部,D2和R3。只要RW的上,下部电阻不等,充放电时间常数就不同,积分器输出uo便是一个锯齿波电压。 |










