数控机床加工测试
时间:2023-03-10来源:佚名
|
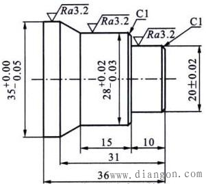
数控机床加工测试主要是为了检测数控系统的程序处理功能,自动运行功能,机床性能指标等。它还包括了G指令的处理,M、S、T指令的处理,固定循环指令的处理等。数控机床加工d16试的步骤: 1.零件图纸分析 如下图所示零件为圆柱体,要求选定毛坯尺寸为 2.工艺分析 选用55°外因车刀车削加工端面,车削加工外轮廓。选用3mm切断刀切断。根据尺寸精度和表面粗糙度要求确定相应的切削参数。
3.编写零件精加工测试程序 零件精加工测试程序表如下图所示。
4.将零件加工测试程序输入机床 可以将外部计算机编写的加工测试程序通过RS232C串行口传人数控系统,也可人工输入程序到数控系统。
5.对刀 具体对刀过程详见光盘中SINUMERIK 802C编程操作手册。
|
40×60。















