电流互感器的常见接线方式
时间:2023-03-11来源:佚名
|
1、三相完全星形接线可以准确反映三相中每一相的真实电流。该方式应用在大电流接地系统中,保护线路的三相短路、两相短路和单相接地短路。 2、两相两继电器不完全星形接线可以准确反映两相的真实电流。该方式应用在6~10kV中性点不接地的小电流接地系统中,保护线路的三相短路和两相短路。
完全星形接线 两相两继电器不完全星形接线 3、两相差接反映两相差电流。该接线方式应用在6~10kV中性点不接地的小电流接地系统中,保护线路的三相短路、两相短路、小容量电动机保护、小容量变压器保护。
4、单相接线在三相电流平衡时,可以用单相电流反映三相电流值,主要用于测量回路。
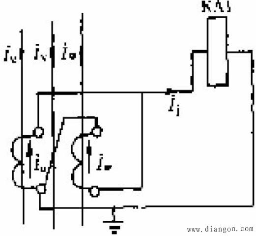
5、两相三继电器完全星形接线,流入第三个继电器的电流是Ij=Iu+Iw=-Iv。该接线方式应用在大电流接地系统中,保护线路的三相短路和两相短路。
(1)在三相三线制系统中,当各项负荷平衡时,可在一相中装电流互感器,测量一相的电流。 (2)星形接线,可测量三相负荷电流,监视每相负荷不对称情况。 (3)不完全星形接线,可用来测量平衡负荷或不平衡负荷的三相系统各相电流。 |













