枢纽变电所接线示例

时间:2023-03-11来源:佚名
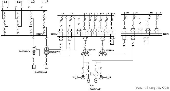
枢纽变电所接线示例图见1。

枢纽变电所接线示例
图1 枢纽变电所接线示例图
采用两台三绕组自耦变压器和两台三绕组变压器连接两种升高电压。110kV和220kV侧采用双母线带旁路接线形式,并设专用旁路断路器。500kV侧为一台半断路器接线且采用交叉接线形式。35kV低压侧用于连接静止补偿装置。

枢纽变电所接线示例

枢纽变电所接线示例

枢纽变电所接线示例
变电站实例见图2,图3,图4。

枢纽变电所接线示例

枢纽变电所接线示例
某地区调度室实例见图5,图6。

相关阅读

如何区分“旁路电容”和“去耦电容” 趣味看懂

如何区分“旁路电容”和“去耦电容” 旁路电容与去耦电容简介 1、旁路电容 旁路电容是可将混有高频电流和低频电流的交流电中的高频成分旁路滤掉的电容。对于同一个电路来说,旁...
2023-03-31
如何区分“旁路电容”和“去耦电容” 趣味看懂

事故预想:恶劣天气,机组正常运行下有什么需要注意的呢?介绍下

事故预想内容:每年5月份为雨季,当电厂遇上暴雨,台风等异常天气,厂内3/4机正常运行,AGC投入,按以往经验需注意机组无功的变化,必要时手动干预;做好恶劣天气相关防范措施,...
2023-06-13
事故预想:恶劣天气,机组正常运行下有什么需要注意的呢?介绍下

单片机检测信号通断通用电路详解

在实际的电路设计中,往往需要用到单片机检测某些信号通断,检测电压有无。在一定的范围内,比如3.3V的直流信号,单片机的IO是可以直接连接信号检测的,但是往往实际信号各种各...
2023-07-11
单片机检测信号通断通用电路详解

MLCC可以替代部分电解电容

在替代电解电容器时,片式多层陶瓷电容器(MLCC)具有许多优势,可取代低容量的铝电解电容器和钽电解电容器。值得注意的是,在选择替代电解电容器的MLCC时,需要仔细考虑其温度...
2023-06-26
MLCC可以替代部分电解电容

变压器常用概念汇总,记住这些,应试无忧,第一季

变压器是常用电气设备,是利用电磁感应的原理来改变交流电压的装置,承担着变配电的重要责任,也是电气专业人员需要学习的重点科目,现将有关变压器的一些概念总结汇总如下,...
2023-04-01
变压器常用概念汇总,记住这些,应试无忧,第一季

热销商品

加厚abs安全帽电工建筑工地程施工领导监理透气防砸头盔可印字V型

这款加厚ABS安全帽专为电工、建筑工地施工人员、领导及监理设计,采用高强度ABS工程塑料,抗冲击、防砸性能优异,有效保障头部安全。帽体加厚设计,增强耐用性与防护等级...
5.8

欧普led筒灯3w孔灯超薄桶灯吊顶天花灯过道嵌入式洞灯客厅5w

欧普LED筒灯是一款高品质嵌入式照明产品,适用于客厅、过道、吊顶等多种场景。采用优质LED光源,提供3W和5W两种功率选择,光线柔和均匀,显色指数高,有效还原真实色彩。超...
7.45

水口钳高硬度模型剪钳电子钳工业级口水剪斜嘴钳偏口斜口专用钳子

水口钳高硬度模型剪钳是一款工业级精密工具,专为电子、模型制作及精细作业设计。采用优质高碳钢材质,经热处理工艺打造,具备卓越的硬度和耐磨性,可轻松剪切金属引脚、...
4.8

170电子剪钳II 如意斜口钳 工业斜嘴钳水口钳 模型剪塑胶钳尖嘴钳

170电子剪钳II如意斜口钳是一款专业级精密工具,集工业斜嘴钳、水口钳、模型剪、塑胶钳与尖嘴钳功能于一体,适用于电子维修、模型制作、手工艺及精密作业。其采用优...
4.5

安全帽国标工地加厚施工领导透气安全头盔建筑工程监理免费印字

本款安全帽严格遵循国家GB 2811-2019标准,专为建筑工程、工地施工及监理人员设计。采用高强度ABS工程塑料,加厚壳体有效抗冲击,保障头部安全。帽体轻盈透气,内置可调...
10

网站栏目