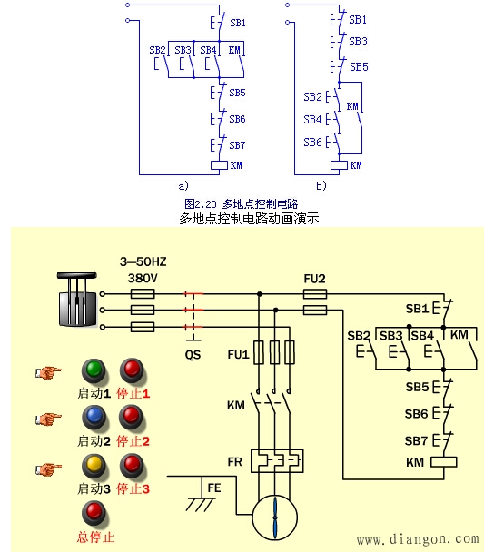
在比较大型的机床设备中,为了操作方便,常要求能在多个地点进行控制。实现多地点控制的方法是:将分散在各个操作站上的起动按钮引线并联连接,停止按钮的引线作串联连接。
图a)为三处操作站对同一电动机进行启动、停止控制的电路。其中:SB2、SB3、SB4是启动按钮,SB5、SB6、SB7是停止按钮,SB1是急停按钮,用于紧急情况下停车操作。
对于多人操作的大型冲压设备等,为了保证操作安全,要求几个操作者准备好后,都发出主令信号(如按下启动按钮)时,设备才能工作。这种情况下,应将启动按钮的常开触头串联,如图b)所示。
