电动机顺序控制电路原理图解
时间:2023-03-11来源:佚名
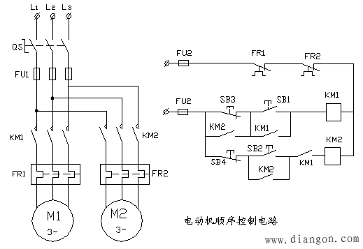
![]() 说明: 1、本电路起动顺序是先M1电动机,后M2电动机;停止顺序则相反。 2、plc(三菱FX0N、FX1N),编程器连接及通电操作。 3、清零操作;程序写入操作;根据梯形图写出指令表。 4、 主机上用导线连接电动机顺序控制。 电动机顺序控制电路工作原理:合上电源开关QS,按下起动按钮SB1,接触器KM1得电吸合并自保,M1电动机起动运转。KM1的另一动合触点闭合,为接触器KM2得电作准备。按下起动按钮SB2,接触器KM2得电吸合并自保,M2电动机起动运转。起动顺序是先KM1吸合,M1电动机起动运转;后KM2吸合,M2电动机起动运转。停车顺序是:只有先按下按钮SB4,使接触器KM2断电释放,KM2的动合触点断开,M2电动机停转后再按SB3,M1电动机才能停止运转。热继电器FR1、FR2常闭触点,是在电动机过负载或缺相过热时将控制电路自动断开,保护了电动机。 |








