同步任意进制计数器N
|
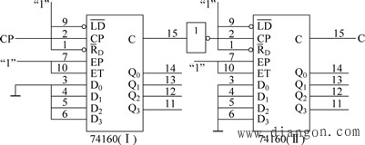
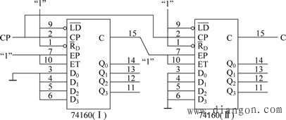
当所要设计的计数器计数容量M大于已有计数器的计数容量N时,必须将多片N进制计数器连接起来,才能构成M进制计数器。根据不同的情况,各个片之间的连接可采用串行进位方式、并行进位方式、整体置零方式和整体置数方式。 (1)M=N1×N2(N1,N2都小于N)。首先利用前面讲过的方法,将两片N进制计数器分别设计成N1,N进制计数器。然后采用串行进位或并行进位的方式将NN1,N进制计数器连接起来,构成M进制计数器。 在串行进位方式中,用低位片的进位输出信号作为高位片的时钟脉冲控制信号;在并行进位方式中,用低位片的进位输出信号作为高位片的工作状态控制信号,控制高位片计数器的计数工作状态,两片计数器的时钟脉冲输入端同时接入计数输入信号。 例1 用两片同步计数器74160接成百进制计数器串行进位方式如图1所示。
在低位片74160(I)的进位输出C与高位片74160(Ⅱ)的脉冲输入端CP之间由一个非门连接。两个计数器的EP=ET=1,因此它们都处于计数状态。当低位片74160(I)计数到9(1001)个脉冲时,它的进位输出端C输出高电平,此时高位片74160(Ⅱ)的EP=ET=1,处于计数状态。当第10个计数脉冲到达时,74160(I)的状态变为0000,而74160(Ⅱ)的状态变为0001,以此类推。 并行进位方式如图2所示。
将低位片74160(I)的进位输出C与高位片74160(Ⅱ)的EP、ET连接。两个计数器的级数脉冲输入端都输入脉冲信号。当计数脉冲到达9(1001)个时,74160(I)的进位输出端C输出高电平,此时高位片74160(Ⅱ)的脉冲输入端CP为低电平,即CP脉冲的下降沿到来,高位片不计数。只有当低位片74160(I)计数10(0000)个脉冲时,它的进位输出端C输出低电平,此时高位片74160(Ⅱ)的脉冲输入端CP为高电平,即CP脉冲的上升沿到来,高位片计数这个进位脉冲,以此类推。 (2)M不能分解成N1、N2的乘积。此时,必须采用整体置零或整体置数的方式。即先将两片N进制计数器连接成N×N进制计数器,然后根据前面讲过的置零法或置数法将N×N进制计数器设计成M进制计数器。 |









