交流发电机的发电原理
时间:2023-03-11来源:佚名
|
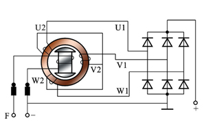
如图所示是交流发电机的工作原理图:
发电机的三相定子绕组按一定规律分布在发电机的定子槽中,互相差120°电角度。 交流发电机的磁路是:转子爪极的磁力线从转子的N极出发,穿过转子与定子之间很小的气隙进入定子铁心,最后又经过空气隙回到相邻的S极,并通过磁轭构成了磁回路。转子磁极呈鸟嘴形,可使定子绕组感应的交流电动势近似于正弦曲线的波形。 当转子旋转时,由于定子绕组与磁力线有相对的切割运动,所以在三相绕组中产生频率相同,幅值相等,相位互差120°电角度的正弦电动势为eA、eB和eC。 硅整流发电机每相绕组中产生的电动势的有效值与发电机的转速和磁场的磁通量成正比。 |










