80C51单片机复位及复位电路
|
复位是使CPU和系统中其他部件都处于一个确定的初始状态,并从这个状态开始工作。
1、复位结构
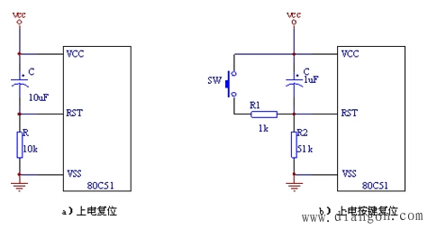
/1 80C51复位结构 80C51复位结构如图1所示,此处的复位引脚只是单纯地称为RST而不是RST/VPD,因为CHMOS型单片机的备用电源也是由VCC引脚提供的。 无论是HMOS型还是CHMOS型的单片机,在振荡器正在运行的情况下,复位是靠在RST/VPD引脚加持续2个机器周期(即24个振荡周期)的高电平来实现的。在RST引脚出现高电平后的第二个周期执行内部复位,以后每个周期重复一次,直至RST端变低电平。 2 复位电路及复位操作单片机的复位有上电复位和按钮手动复位两种。如图2(a)所示为上电复位电路,图(b)所示为上电按键复位电路。
图 2 80C51复位电路上电复位是利用电容充电来实现的,即上电瞬间RST端的电位与VCC相同,随着充电电流的减少,RST的电位逐渐下降。图2 (a)中的R是施密特触发器输入端的一 个10KΩ下拉电阻,时间常数为10×10-6×10×103=100ms。只要VCC的上升时间不超过1ms,振荡器建立时间不超过10ms,这个时间常数足以保证完成复位操作。上电复位所需 的最短时间是振荡周期建立时间加上2个机器周期时间,在这个时间内RST的电平应维持高于施密特触发器的下阈值。 上电按键复位2(b)所示。当按下复位按键时,RST端产生高电平,使单片机复位。 复位后,其片内各寄存器状态见表,片内RAM内容不变。 表 复位后内部寄存器状态
由于单片机内部的各个功能部件均受特殊功能寄存器控制,程序运行直接受程序计数器PC指挥。表中各寄存器复位时的状态决定了单片机内有关功能部件的初始状态。 另外,在复位有效期间(即高电平),80C51单片机的ALE引脚和 |










