按钮、接触器双重互锁的正反转控制电路图解
时间:2023-03-11来源:佚名
|
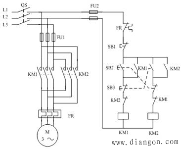
下图所示的按钮、接触器双重互锁的正反转控制电路。所谓按钮互锁,就是将复合按钮动合触点作为起动按 钮,而将其动断触点作为互锁触点串接在另一个接触器线圈支路中。这样,要使电动机改变转向,只要直接按反转按钮就可以了,而不必先按停止按钮,简化了操作。
按钮、接触器双重互锁的电动机正反转控制电路 |
|
下图所示的按钮、接触器双重互锁的正反转控制电路。所谓按钮互锁,就是将复合按钮动合触点作为起动按 钮,而将其动断触点作为互锁触点串接在另一个接触器线圈支路中。这样,要使电动机改变转向,只要直接按反转按钮就可以了,而不必先按停止按钮,简化了操作。
按钮、接触器双重互锁的电动机正反转控制电路 |




