组合电路的设计方法
时间:2023-03-11来源:佚名
|
数字电路的设计包括两个阶段:由逻辑功能的文字描述到某种形式的逻辑描述之间的变换和各种逻辑描述之间的变换。
1.由真值表、逻辑方程到门级实现
图1 一种组合电路的设计过程 例1 算术逻辑运算单元(ALU)的设计。 算术逻辑运算单元是许多数字系统的主要部件,其框图如下:
图2 1位ALU ALU的功能表如下:
表21 ALU的功能表 2.功能分析和函数分解 例2 设计如下图所示的并行补码变换器。
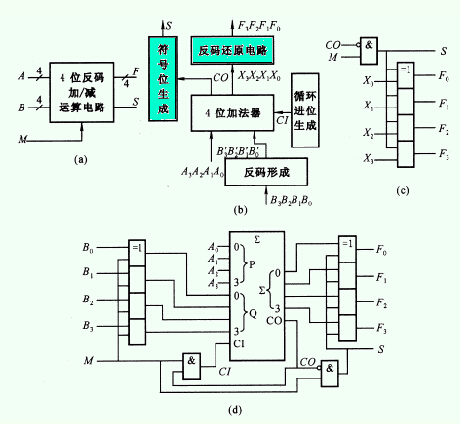
图3 并行补码变换器 例3 设计如下图所示的二进制加/减运算电路。
图4 无符号二进制加/减运算电路 3.改进原电路,实现逻辑功能
图5 加/减运算电路之一 4.积木块化设计 例4 设计如图所示的8位算术比较器,该比较器接受两个无符号二进制数A = a7a6a5a4a3a2a1a0和B = b7b6b5b4b3b2b1b0。当A>B时,输出Z = 1;否则Z = 0。
表4 比较器积木块功能表
图6 比较器积木块 如图6 所示,用8个这样的积木块级联可以构成所需要的8位数值比较器。 例6 设计如图7 所示的4位并行乘法器
图7 4位乘法器的一种电路
图8 用积木块构成的乘法器 5.逻辑验证和逻辑模拟 要使设计结果必须符合设计要求,必须对设计结果进行检查和核对,这就是逻辑验证。 基于表格的事件驱动法,用若干张表格来描述逻辑图。
图10 队列变化
表6 电平变化表 |






















